PPLN波导变频器
PPLN
1018/1064/1550/1560nm
产品描述:
PPLN 波导是一种基于周期极化铌酸锂(Periodically Poled Lithium Niobate,PPLN)材料的光波导变频器件,通过准相位匹配技术可以实现非常高效的激光频率转换,波长可以覆盖350nm~5.2μm。目前,基于铌酸锂薄膜材料制备的 PPLN 波导无论在产品的稳定性还是大功率性能上都远胜于传统质子交换波导,这一项技术可以帮助用户轻松拓展激光频率范围,并且支持瓦级以上的激光输出,是目前光纤激光器最常用的非线性模块。
常用的 PPLN 模块可以实现1018nm、1064nm、1550nm和1560nm的激光倍频,也可以实现和频和差频。
目前,公司提供的 PPLN 模块可以接受任意光纤类型订制,可实现最高 200%/W的光纤
-光纤归一化转换效率。产品的工艺灵活性高,可根据用户需求订制尾纤类型和输入类型。
技术指标:
|
项目 |
指标 |
|
混频类型 |
倍频 |
|
输入波长(nm) |
1550(可定制350~5200) |
|
输出波长(nm) |
775(可定制350~5200) |
|
泵浦条件 |
CW |
|
输入光纤类型 |
PM1550(可定制) |
|
输出光纤类型 |
PM780(可定制) |
|
连接头类型 |
FC/APC(可定制) |
| 归一化转换效率(%/W) | 40~200(可定制) |
|
最大输出功率(W) |
3(6W泵浦功率) |
| 温度调谐能力(nm/℃) |
0.16(随工作波长变化) |
测试数据:
775nm/780nm 紧凑型超高转换效率低功耗波导

775nm/780nm大功率波导
775nm/780nm 温度调节
532nm/509nm 波导

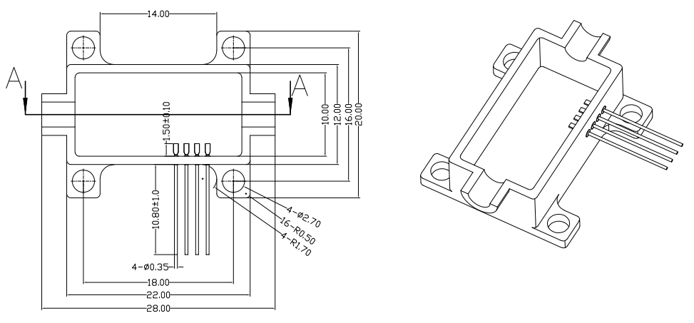
封装信息(最小):

订货信息:
1. 输入波长:1018nm;1064nm;1550nm;1560nm;或可定制(350~5200nm)
2. 输出波长:509nm;532nm;775nm;780nm;或可定制(350~5200nm)
3. 归一化转换效率:40~200%/W;或可定制
4. 输入光纤类型:PM1550;或可定制
5. 输出光纤类型:PM780;或可定制
6. 连接头类型:FC/APC;或可定制
| PPLN波导变频器技术规格书-MY.pdf | 2026-01-31 |
24小时服务热线 133-7181-1099