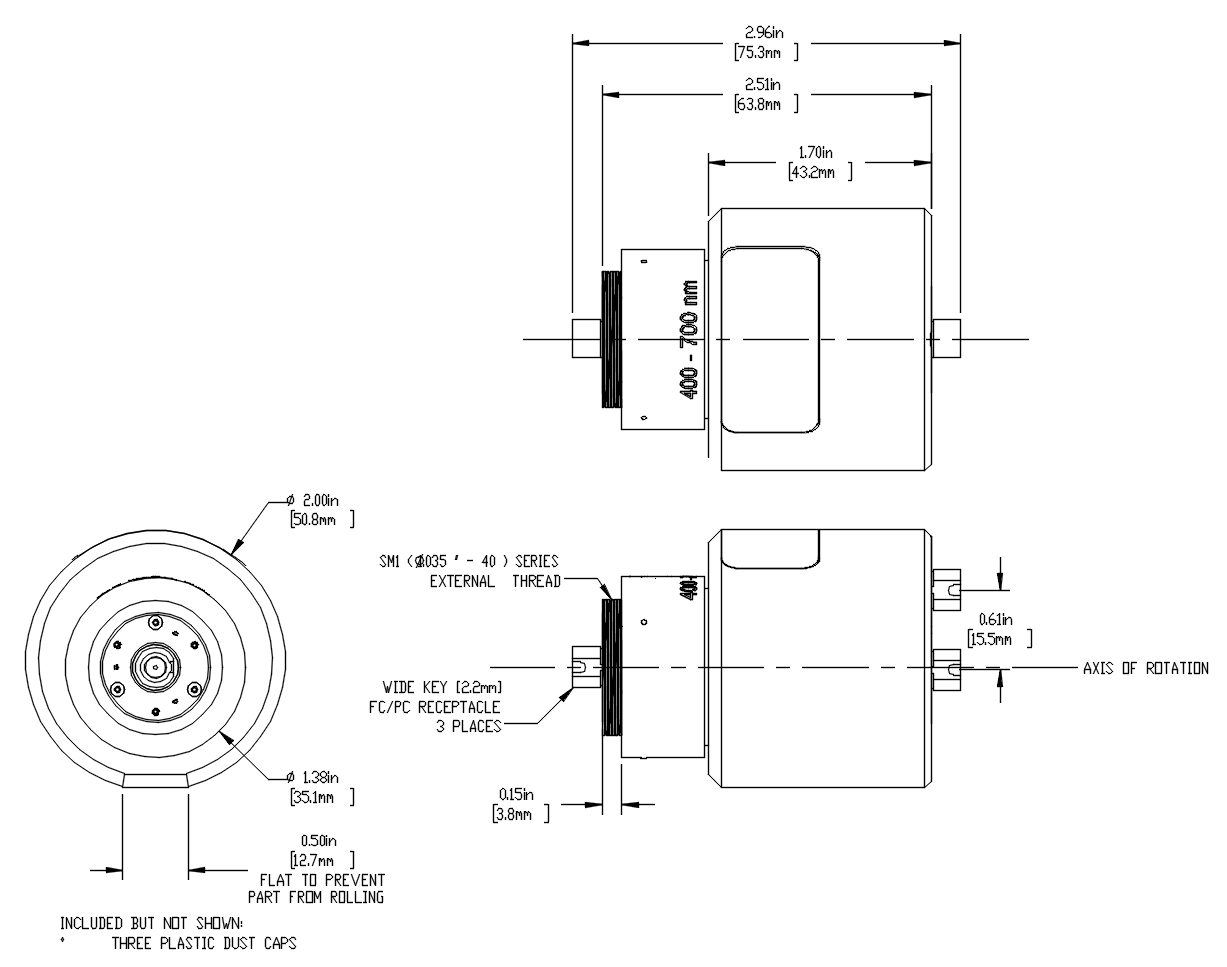
1×2旋转分束器
1×2
400~700nm
产品描述:
1×2旋转光纤分束器适合光遗传学应用,能够将一束输入光均匀分离成两束输出光。旋转式连接便于连接的跳线自由旋转,减少移动样品造成光纤损伤的风险。旋转连接处兼容任意FC/PC终端的跳线,比如我们的光遗传学、多模和混合接头光纤跳线。为了获得最佳性能,我们建议使用TECS包层光纤、纤芯直径≥φ200μm、NA在0.22~0.50之间的多模跳线。
该分束器经过建模和广泛测试,能够配合LED和多模激光光源以及常用于光遗传学应用的跳线使用。设计中包含分束镜,能够均匀地分离波长范围在400~700nm的光,通过旋转连接处的总LED传输率典型值为60%(每个分支30%),旋转时每个分支的变化小于±3.5%。使用任意推荐的光源或跳线可以实现相似的性能。
技术指标:
|
项目a |
指标 |
|
| 工作波长(nm) |
400~700 |
|
|
分光比Type.(%) |
50:50±5 | |
|
每个分支传输率bType.(%) |
LED |
30 |
|
Laser |
35 |
|
|
每个分支传输率旋转变化c(%) |
LED |
<±3.5 ±1.75(Type.) |
|
Laser |
<±6.0 ±3.5(Type.) |
|
|
初始力矩(μN·m) |
<150 |
|
|
推荐光纤纤芯直径(μm) |
≥200 |
|
|
推荐光纤数值孔径NA |
0.22~0.50 |
|
注:
a.指定用于具有推荐光纤纤芯直径和NA的跳线。规格不适用于纤芯为φ200μm、NA为0.22的单包层多模光纤,而应使用具有另一层基于TECS的包层的光纤。
b.每个输出分支的传输率按总输入光的百分比给出。总输出为分束器两个分支的总传输率。
c.定义为连接处旋转时单个输出分支平均输出功率的传输差异百分比。
封装信息:

数据曲线:



| 1×2旋转光纤分束器技术规格书-MY.pdf | 2026-01-31 |
24小时服务热线 133-7181-1099