保偏TGG光纤环形器
三端口TGG-based
532~980nm
产品描述:
三端口光纤环形器是一种多端口非互易光学器件,光只能沿一个方向传播。信号若从端口1输入,则从端口2输出;而信号从端口2输入,则将从端口3输出,其输出损耗都很小;光从端口2输入时,从端口1输出时损耗很大,同样光从端口3输入时,从端口1、2中输出时损耗也很大。
我们可以生产三端口、四端口、不同功率、不同波长的光纤环形器,产品广泛用在光纤激光器、仪器仪表、色散补偿装置、光纤传感、科学研究等领域。
技术指标:
|
项目 |
指标 |
||||||
|
中心波长(nm) |
532 | 635/680 | 780/808 | 830/850 | 915 | 930 | 980 |
|
带宽(nm) |
±5 | ±5 | ±10 | ±10 | ±10 | ±10 | ±10 |
| 峰值隔离度Type.(dB) | 25 | 25 | 25 | 25 | 25 | 25 | 25 |
| 隔离度Min.(dB) | 20 | 20 | 22 | 22 | 22 | 22 | 22 |
|
插入损耗Max.(dB) |
2.5 | 1.8 | 1.5 | 1.5 | 1.5 | 1.5 | 1.5 |
|
消光比Min.(dB) |
18(B型),20(F型) |
||||||
| 承受光功率(W) |
0.05 |
0.1 | 0.3、1、2、5、10、20可选 | ||||
| 工作轴 | 单轴工作或者双轴工作 | ||||||
| 峰值功率(KW) | <10(@ns pulse) | ||||||
| 串扰Min.(dB) |
45 |
||||||
|
回波损耗(dB) |
45 |
||||||
|
光纤类型 |
PM Fiber |
||||||
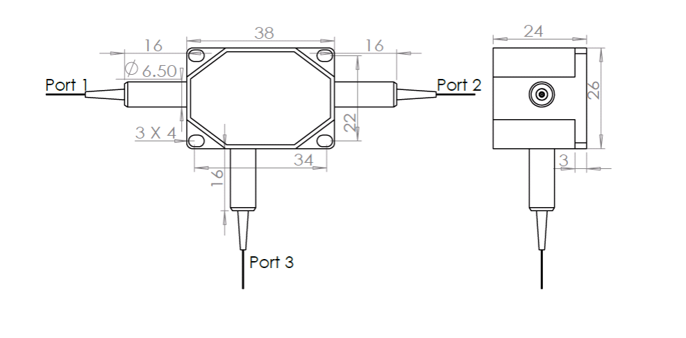
| 封装尺寸(mm) |
38×26×24 |
64×28×26 | |||||
|
工作温度(℃) |
0~+60 | ||||||
|
储存温度(℃) |
-10~+75 |
||||||
注:测试温度为25℃。如增加接头,不同波长损耗数据不一样,请联系我们确认,回损降低 5dB,保偏产品消光比降低 2dB,默认光纤慢轴对准 key 键。
封装信息:


订货信息:
1.中心波长:532nm;633nm;780nm;850nm;980nm;
2.平均功率:<0.5W;1W;5W;或其它
3.功率类型:脉冲;连续
4.工作轴:双轴工作;慢轴截止;快轴截止
5.光纤类型:PM460;PM630;PM780;PM980
6.尾纤长度:0.8m;1m;1.5m;或其它
7.尾套类型:0.25mm裸纤;0.9mm套管;或其它
8.连接头类型:FC/PC;FC/APC;或其它
| 532~980nm保偏TGG光纤环形器技术规格书-MY.pdf | 2026-01-31 |
24小时服务热线 133-7181-1099