1μm高功率低插损小尺寸隔离器
1μm
产品描述:
1μm高功率低插损小尺寸隔离器是一种只允许光向一个方向通过而阻止向相反方向通过的无源器件。其工作原理是基于法拉第旋转的非互易性,对光的方向进行限制,只能单方向传输,通过光纤回波反射的光能够被光隔离器很好的隔离,提高光波传输效率。我们生产的隔离器具有高隔离度、低插入损耗、高承受功率,可以根据用户需要定制不同波长、功率、光纤的隔离器,产品广泛应用于光纤激光器、光纤放大器、激光通信、光纤传感、科学科研等领域。
技术指标:
|
项目 |
指标 |
|
中心波长(nm) |
1030/1064/1080 |
|
带宽(nm) |
±10 |
| 峰值隔离度(dB) | 35(典型值) |
| 隔离度(dB) | 28(最小值) |
|
插入损耗(dB) |
1.0(典型值) |
|
1.3(最大值) |
|
|
偏振相关损耗(dB) |
0.2 |
|
回波损耗(dB) |
50(最小值) |
|
消光比(dB) |
保偏光纤:18(双轴),20(单轴) |
|
光纤类型 |
SM:Hi1060,10/125/08D PM:PM980/PM1060L,P10/125/08D |
|
拉力(N) |
5 |
| 最大光功率CW(W) | 1,2,5,10 |
| 峰值功率最大值(kW) | 1,5,10,20 |
|
工作温度(℃) |
0~+50 |
|
储存温度(℃) |
-40~+85 |
注:测试温度为25℃;以上数据不含头,如增加接头,不同波长的损耗数据不一样,请联系我们确认。
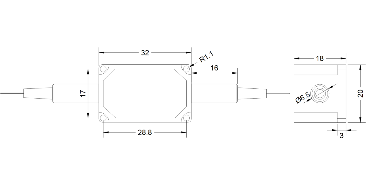
封装信息:

订货信息:
1.中心波长:1030/1064/1080nm;或其它
2.功率大小:1W;2W;5W;10W;或其它
3.功率类型:连续;脉冲
4.峰值功率:连续光;10kW;20kW
5.工作轴:双轴工作;慢轴截止;快轴截止
6.光纤类型:Hi1060;PM980;LMA-10/125-M;或其它
7.尾纤长度:0.8m;1m;1.5m;或其它
8.尾纤类型:0.25mm裸光纤;0.9mm套管;或其它
| 1μm高功率低插损小尺寸隔离器技术规格书-MY+.pdf | 2026-01-31 |
24小时服务热线 133-7181-1099