1×N保偏光开关
步进电机
最多64通道
产品描述:
1×N保偏光开关是一种高性能光学器件,能够在保持输入光偏振状态的同时,将光信号从1个输入端口切换到N个输出端口(如1×2、1×4、1×8等)。该产品广泛应用于光纤传感、量子通信、激光雷达、保偏光纤系统等领域,特别适用于对偏振态敏感的精密光学系统。
技术指标:
|
项目 |
指标 |
|
工作波长(nm) |
532,650,780,850,980,1064,1260~1660 |
| 测试波长(nm) | 532,650,780,850,980,1064,1310,1490,1550,1650 |
|
插入损耗(dB) |
0.6(典型值) |
| 1.2(最大值) | |
|
回波损耗(dB) |
≥55(单模) |
|
串扰(dB) |
≥-80 |
|
消光比(dB) |
≥18 |
| 波长相关损耗(dB) |
≤0.25 |
|
温度相关损耗(dB) |
≤0.30 |
|
重复度(dB) |
≤±0.05 |
| 寿命(次) |
3×108 |
| 可承载光功率 |
≤1000 |
| 切换时间(ms) | ≤10(相邻端口切换) |
| 工作温度(℃) | -20~+70 |
| 储存温度(℃) | -40~+85 |
| 工作电压、电流(V/A) | +5/1.0 |
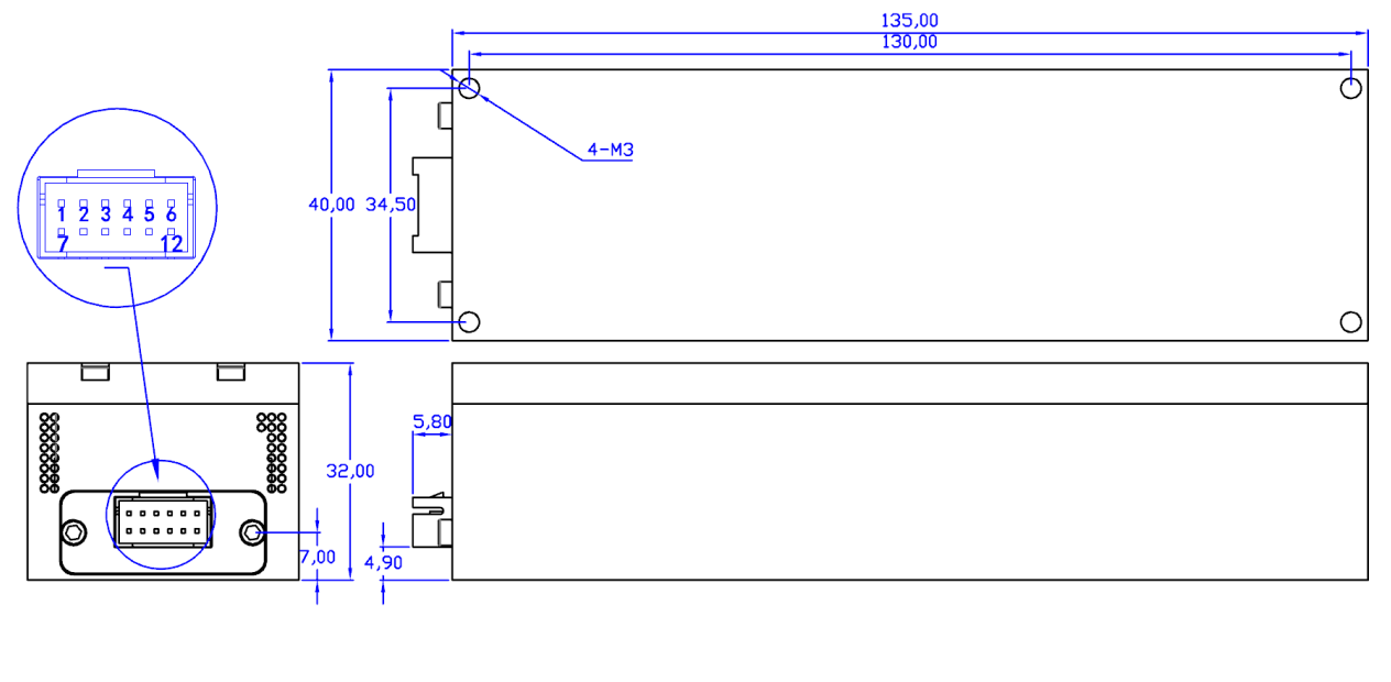
| 封装尺寸(mm) | 135×40×32 |
原理:

封装信息:
1×N(N≤32)

管脚:
|
管脚编号 |
类型 | 名称 |
功能 |
|
1 |
Input | /RESET | TTL用,低电平复位到通道0。高电平意味着信道选择位是有效的。 |
|
2 |
Input | D0 |
TTL,D0是低位,D4是高位,例如:00000b=1CH;11111b=32CH。 |
|
3 |
Input | D1 | |
|
4 |
Input | D2 | |
|
5 |
Input | D3 | |
|
6 |
Input | D4 | |
| 7 | Out | /READY |
TTL,待机(高=未准备,低=准备) |
|
8 |
Out | ERROR |
TTL,错误(高=错误,低=没错误) |
|
9 |
Power in | GND |
接地 |
| 10 | Power in | 5V |
5.0±5% V直流供电(max 500mA) |
| 11 | S- | RS232(485) |
RX(B) |
| 12 | S+ | RS232(485) | TX(A) |
注:当使用RS232控制光开关时,仅仅需要连接9~12#管脚即可,其余管脚悬空。
订货信息:
1.端口:1~64
2.工作波长:780nm;850nm;1310nm;1550nm;1310/1550nm
3.光纤类型:SM9/125;MM50/125;MM62.5/1253;Hi1060;保偏光纤
4.尾纤长度:50cm;100cm;150cm
5.尾纤类型:0.25mm裸光纤;0.9mm套管;2mm光纤阵列
6.连接头类型:FC/PC;FC/APC;SC/PC;SC/APC;LC/PC;LC/APC;ST/PC
7.控制方式:TTL+RS232;TTL+RS485;USB
8.外形封装:135×40×32mm;135×64×32mm
| 1×N保偏光开关(步进电机)技术规格书-MY.pdf | 2026-01-31 |
24小时服务热线 133-7181-1099