1550nm保偏波片式耦合器模块
445~2100nm
产品描述:
保偏波片式耦合器模块是一款专为光纤通信和传感系统设计的高性能光学器件。该模块采用波片式结构设计,确保在耦合过程中保持偏振态稳定,适用于对偏振敏感的应用场景。
该产品采用紧凑型封装,便于系统集成,并提供多种分光比选项以满足不同应用需求。严格的工艺控制和可靠性测试确保器件在严苛环境下仍能保持稳定性能。
技术指标:
|
项目 |
指标 |
| 中心波长(nm) | 1550 |
|
工作波长(nm) |
1524~1572 |
|
端口类型 |
1×4 |
| 最大插入损耗@23℃(dB) | 8.1 |
| 最大波长相关损耗(dB) | 0.6 |
| 均匀度(dB) | 0.6 |
| 最小消光比@23℃(dB) | 双轴工作:18,快轴截止:22 |
| 最小回波损耗(dB) | 50 |
| 最大插入热稳定性(dB) | 0.5 |
|
最大光功率CW(mW) |
500 |
| 最大拉力(N) | 5 |
| 光纤类型 | PM Panda fiber |
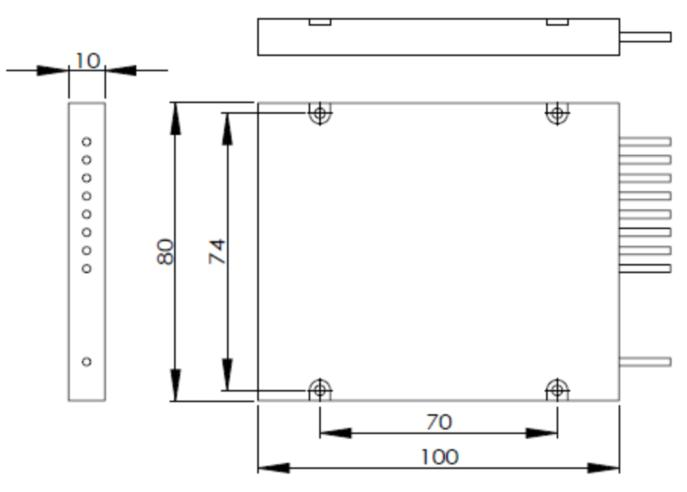
| 封装尺寸(mm) | 100×80×10(ABS) |
| 工作温度(℃) |
-5~+70 |
| 储存温度(℃) |
-40~+85 |
注:如增加连接器,插入损耗增加 0.3dB,回波损耗降低 5dB,消光比降低 2dB。连接头key键与慢轴对齐。
封装信息:

订货信息:
1.结构:1×4;或可定制
2.中心波长:1550nm;或可定制
3.工作轴:快轴截止;双轴工作
4.光纤类型:PM1550
5.封装尺寸:100×80×10
6.尾纤类型:裸光纤;0.9mm套松管
7.尾纤长度:0.8m;1m
8.连接头类型:FC/UPC;FC/APC;SC/APC;SC/APC;LC/UPC
| 1550nm保偏波片式耦合器模块技术规格书-MY.pdf | 2026-01-31 |
24小时服务热线 133-7181-1099