FC扩束连接器
780~1550nm
产品描述:
闵壹光电推出的FC扩束连接器采用了先进的微透镜准直工艺。通过独特的扩束技术,光纤出射的光束能够实现准直光束的方向和位置与陶瓷物理轴心的完美重合。这使得该连接器可以通过预装配的FC闭口套管实现插拔式互连,极大地提高了使用便捷性。
同时,由于采用了准直技术,我们可以在光纤端面进行镀膜或应用End-cap工艺,从而显著提升光纤端面的耐受功率。使得其单模连接器最高耐受功率高可达5W,解决了传统单模连接器无法处理高功率应用的问题。
此外,该法兰中间嵌入了三个功能转盘,用户可以根据需求自定义转盘的功能。例如,使用半波片(HWP)转盘可以优化耦合消光比,或者将光的慢轴通光方向旋转为快轴通光方向,从而实现通光轴的转换。此外,还可以将波片替换为偏振片,使其具备起偏器的功能,用于提高消光比。这种灵活的设计为用户提供了多样化的应用选择,满足不同实验和应用需求。
与传统FC连接器的窄键和宽键设计不同,该法兰采用了光积木专利的V型键槽结构。这种创新设计显著提升了重复插拔时的消光比稳定性。此外,由于采用非接触式扩束连接方式,避免了端面接触磨损的问题,同时提高了连接头的抗污能力,从而大幅延长了跳线的使用寿命。
技术指标:
|
项目 |
单位 |
指标 |
|
工作波长 |
nm |
780,795,850,980,1060,1310,1550 |
|
插入损耗 |
dB | <0.5(典型值<0.3) |
| 消光比 | dB | >25 |
| 回波损耗 | dB | >50 |
| 最大耐受光功率 | mw | 500(高功率可选) |
| 光纤类型 | - | 单模、保偏、光子晶体光纤等 |
| 光纤抗拉强度 | N | 5 |
| 工作温度 | ℃ |
-40~+70 |
| 储存温度 | ℃ |
-55~+85 |
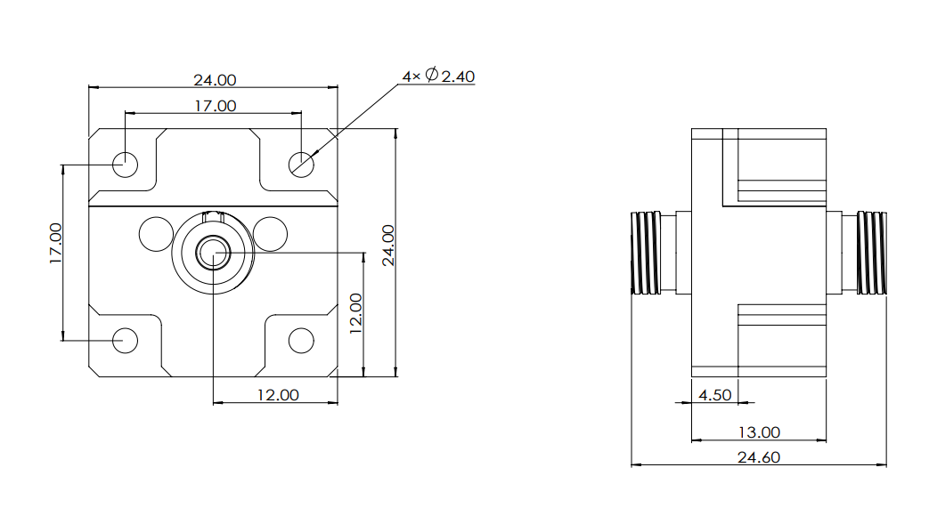
| 规格尺寸 | mm | 法兰尺寸见下图,连接器为标准FC尺寸 |
封装信息:

订货信息:
1.工作波长:780nm;795nm;850nm;980nm;1060nm;1310nm;1550nm;或其它
2.耐受功率:500mW;或其它
3.光纤类型:单模;保偏;或其它
4.光纤长度:1m;或其它
5.光纤外径:0.9m;或其它
6.连接器类型:FC/APC/slow
7.楔角角度:可定制
8.尺寸:24×24×24mm
| FC扩束连接器技术规格书-MY.pdf | 2026-01-31 |
24小时服务热线 133-7181-1099